Push Button Switch
Push Button Switch Waterproof Micro Switch Micro Switch Rocker Switch Toggle Switch Slide Switch Indicator Light Other Switch

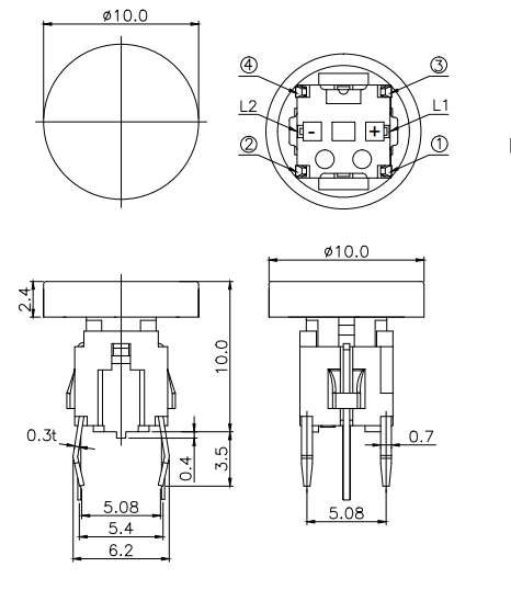
Detail
Specification:
Rating: 12VDC, 50mA
Contact Resistance:100mΩ Max(initial)
Insulation Resistance:100mΩ MIN
Breakdown Voltage: 250VAC for 1 minute
Operating Force: 250±50gf
Total Travel: 0.25±0.15mm
Operating Temperature: -20℃~70℃
Life Cycle: 100,000 Cycle
Function: Momentary
Application:
The light touch switch has the advantages of small contact resistance load, been widely used in electronic equipment, household appliances and so on.

